您好,欢迎您访问无锡华锦源环保科技有限公司的官方网站!

你所在的位置:网站首页 > 产品展示

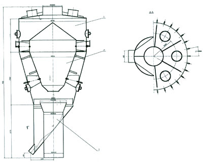
HJ-CB系列改进型串连双轴向粗粉分离器
上一页:轴向I型粗粉分离器
下一页:轴向型粗粉分离器平台、扶梯、支座

CONTACT US

联系我们

欢迎您通过以下方式联系华锦源环保 / 或者给华锦源环保留言
华锦源环保,与您同行,没有好,只有更好。这是公司一直努力的奋斗目标。

联系人:杭锦
手机:15161528509

电话 TEL:
0510-85187068

传真 FAX:
+0510-85183818

邮箱 E-MAIL:
sales@hjdlsb.com

地址 ADD:
宜兴市周铁镇竺西工业园中兴路1号

(标有* 记号的为必填选项)