您好,欢迎您访问无锡华锦源环保科技有限公司的官方网站!

你所在的位置:网站首页 > 产品展示

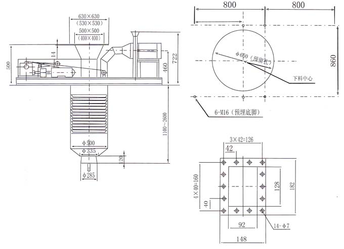
HJ-SZ-100型-干灰散装机

产品概况

本设备是从粉料储仓往运输设备装卸干燥粉料的专用设备。其卸料口高度可自由调节,并有防止粉尘飞扬的功能,可适应不同高度的运输装置,有效地控制环境污染。

本设备主要由内伸缩套节、电动驱动机构、引风机、压力式料位计及底座组成一个完整的卸料装车系统。

其进灰口根据用户的需要也可做成圆形


主要结构尺寸表


产品示意图

上一页:干灰散装机
下一页:库底卸料器

CONTACT US

联系我们

欢迎您通过以下方式联系华锦源环保 / 或者给华锦源环保留言
华锦源环保,与您同行,没有好,只有更好。这是公司一直努力的奋斗目标。

联系人:杭锦
手机:15161528509

电话 TEL:
0510-85187068

传真 FAX:
+0510-85183818

邮箱 E-MAIL:
sales@hjdlsb.com

地址 ADD:
宜兴市周铁镇竺西工业园中兴路1号

(标有* 记号的为必填选项)